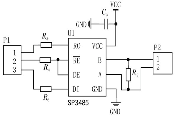
在環境監測系統的人機交互模塊中,單片機與計算機上位機軟件之間使用串口通信的方式來傳輸指令和數據。串口通信是一種將并行數據字符轉換成為連續的串行數據流發送的通信方式,常使用的串口通信協議有RS232和R...
?在環境監測過程中,受各方面因素的影響,環境監測設備難免會出現一些非正常情況,那我們該如何進行處理呢?田瑞生提醒大家不要慌張,查找原因才是我們需要做的。下面為大家介紹幾種環境監測設備的幾種非正常情況及...
?雖說生于憂患死于安樂,競爭往往能夠成為一個事物前進的動力。但是惡性競爭只會起到反作用。今天三水環境監測公司在這里為大家說一說環境監測行業的惡性競爭問題,這種市場狀況還能持續多久呢?
?現階段,我國環境監測行業發展十分迅速,見效很大,但是相關環境監測技術規范并不完善,也為環境監測市場增添了一些麻煩。隨著環境監測的越發深入,金辰勇認為:環境監測技術規范需不斷完善,這是當下環境監測行業...
?近幾年來,環境監測行業的發展大都是粗放式模式,管理工作并不怎樣到位,以至于市面上的環境監測公司越來越多,行業競爭越發激烈,產品同質化越發嚴重,影響了環境監測行業的發展。產品同質化即為消費者帶來了難題...