現在環境監測市場上不斷有消費者進行投訴處理進行維權,導致行業口碑信譽度越來越差,也讓很多正規環境監測公司?發展受到嚴重的威脅。如此情況之下,環境監測公司需要聯合抵制劣質產品,才能恢復環境監測行業的健康...
?現如今,環境監測系統的應用逐漸普及,在數據通信方面,基本上都采用無線通信的方式。今天三水智能化環境監測公司就環境監測系統無線通信模塊的部署為大家分析一下。
?在環境保護工程中,環境監測具有多種方式方法,主要包括人工方式的監測、點式的環境自動監測、長光程環境自動監測等。但是由于環境監測技術、設備等因素的限制,目前我國主要采取的是手工監測方法。
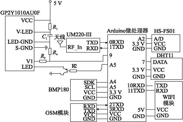
?一整套的環境監測系統涉及著很多硬件和軟件組成,在其中,主要有四個環境信息測量模塊,分別是光學灰塵濃度監測傳感器、氣壓傳感器、DHT11傳感器以及HS-FS01模塊。今天三水智能化環境監測公司分別為大...
?室內空氣質量監測現場采樣的質量控制,主要是為了獲得準確的數據,現場采樣的每一個過程都是十分重要的,如果其中有一個環節存在問題,也會影響到空氣質量監測的結果。