隨著環境監測行業的發展,環境監測系統獲得了越來越多的應用,而且針對不同的用途,系統的差別很大。今天三水智能化為大家介紹一下TVOC環境監測系統的氣路結構。
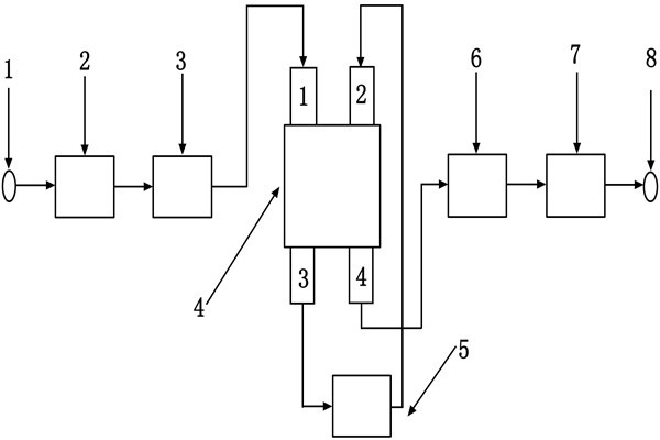
TVOC環境監測系統的氣路結構設計示意圖如圖所示。

1 樣品進樣口;2 精密過濾器;3 采樣泵;4 電磁四通閥;5 熱解吸管;6 PID傳感器;7 流量傳感器;8 樣氣排空口。
TVOC環境監測系統主要由樣品進樣口、精密過濾器、采樣泵、電磁四通閥、熱解吸管、PID傳感器、流量傳感器和樣氣排空口等組成,具有氣路結構簡單、無需額外提供載氣,環境空氣即可作為載氣等特點。
精密過濾器具有對樣品氣進行預處理功能,主要用于過濾環境空氣和待測氣體中的顆粒灰塵和水汽,以防小顆粒物或水汽進入到氣路中影響熱解吸管性能,降低相關部件的壽命。
電磁四通閥主要是實現基線采集和樣氣采集,富集和進樣等氣路的切換。樣品氣采樣采用泵吸式原理,采樣泵為派克漢尼汾公司的4.5V隔膜式低噪音空氣泵,和流量傳感器共同控制樣品氣的精確進樣。
上述內容便是三水智能化為大家介紹的TVOC環境監測系統的氣路結構,大家可以簡單了解一下其系統原理。