對于環境監測系統有所了解的應該都清楚,該系統的結構十分復雜的,其原理也是看似簡單,實則細節很多。尤其是主控模塊電路,在整個系統運行過程中發揮著很大的作用。那如何設計環境監測系統的主控模塊電路呢?三水智能化在本文中為大家詳細講解。
環境監測系統采用MCS-51系列單片機為核心處理器進行數據分析處理。在工業控制領域使用的單片處理器中,屬51系列的8位單片機的使用最為普遍。設計選用的微處理器STC89C52內部自帶8K字節的存儲器,工作電壓低,性能穩定,而且能夠完全適合工業級別的MCS-51指令集以及輸出管腳分布。
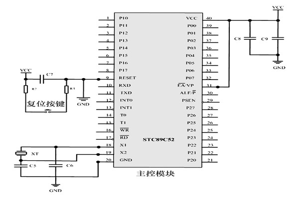
環境監測系統單片機的最小系統(見下圖)是簡單電路,可以使該單片機保持正常的工作。該單片機的最小系統電路包含5個部分,分別為電源電路、時鐘電路、復位電路、片內外程序存儲器選擇電路、輸入/輸出接口電路。其中前3個電路是保證單片機的控制系統維持正常運作的最基本的電路,不可或缺。

1.電源電路
單片機的VCC引腳連接直流電源正極,要求4~5.5V之間的穩定電壓,以保證系統正常運作。其GND引腳要求連接該直流電源的負極。一般在兩電源引腳之間連接一個10μF的電解電容和一個0.1μF陶片電容,用以抑制雜波串擾,確保電路穩定,從而改善系統電路的抗干擾能力。
2.時鐘電路
STC89C52單片機規定18引腳及19引腳連接外部晶振和電容,該單片機的工作頻率在2~33MHz范圍,單片機工作頻率由晶振的頻率決定,一般選取的是11.0592MHz。連接的2個電容通常取3pF。
3.復位電路
引腳RST上連續的24個工作主頻周期的高電平可以使單片機完成復位。一般情況下,復位電路使引腳RST保持至少10ms以上的高電平才能保證系統可靠復位。當系統在正常運行時,可通過按復位按鈕的方法使單片機進行快速復位。
環境監測系統主控模塊電路的設計大致就是如此,電源電路、時鐘電路以及復位電路之間的聯動,實現了整個主控模塊電路的運轉。