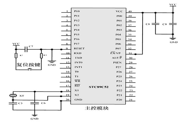
單片機環境監測系統的最小系統是簡單電路,可以使該單片機保持正常的工作。該單片機的最小系統電路包含5個部分,分別為電源電路、時鐘電路、復位電路、片內外程序存儲器選擇電路、輸入/輸出接口電路。其中前3個電路是保證單片機環境監測系統維持正常運作的最基本的電路,不可或缺。

1.電源電路
單片機的VCC引腳連接直流電源正極,要求4~5.5V之間的穩定電壓,以保證環境監測系統正常運作。其GND引腳要求連接該直流電源的負極。一般在兩電源引腳之間連接一個10μF的電解電容和一個0.1μF陶片電容,用以抑制雜波串擾,確保電路穩定,從而改善環境監測系統電路的抗干擾能力。
2.時鐘電路
單片機規定18引腳及19引腳連接外部晶振和電容,該單片機的工作頻率在2~33MHz范圍,單片機工作頻率由晶振的頻率決定,一般選取的是11.0592MHz。連接的2個電容通常取3pF。
3.復位電路
引腳RST上連續的24個工作主頻周期的高電平可以使單片機完成復位。一般情況下,復位電路使引腳RST保持至少10ms以上的高電平才能保證環境監測系統可靠復位。當環境監測系統在正常運行時,可通過按復位按鈕的方法使單片機進行快速復位。
以上內容便是三水智能化環境監測公司為大家介紹的單片機環境監測系統不可或缺的3個電路組成,這三個電路組成缺一不可,是保證系統正常可靠運轉的基本條件。