?整個環境監測系統結構十分復雜,單就電路而言,有著主控模塊電路、加熱電路、溫度檢測電路等,關于主控模塊電路和加熱電路,在之前的文章中已經介紹過了,大家有興趣的可以去看看,這里就不再過多介紹了。三水智能...
?現在室內空氣檢測逐漸走進了人們的生活和工作中,為檢測室內空氣質量,保障人們的身體健康做出了很大的貢獻。那在室內空氣檢測的現場,如果保證現場質控呢?
現如今,環境污染問題的危害引起了人們足夠的重視,空氣質量實時監測的市場因此越來越大,不管是辦公樓還是住宅小區,空氣質量監測都有了越來越多的應用。而在眾多有害氣體當中,苯是特殊的一種,今天三水智能化環境...
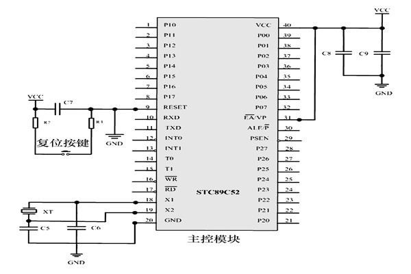
對于環境監測系統有所了解的應該都清楚,該系統的結構十分復雜的,其原理也是看似簡單,實則細節很多。尤其是主控模塊電路,在整個系統運行過程中發揮著很大的作用。那如何設計環境監測系統的主控模塊電路呢?三水智...
?在環境檢測現場采樣過程中,應當從以下幾個方面入手,做好相應的分析工作。1.提前做好環境檢測相應的準備工作,在工作正式開始前,要準備好器具、采樣社比等,并且要對各項設備的性能和精準度進行校驗,保證設備...