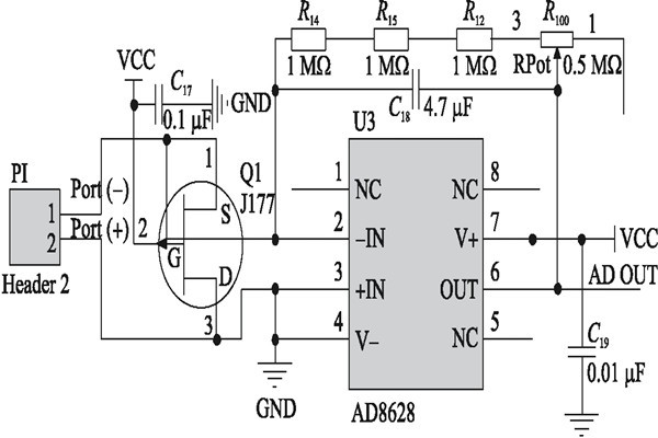
環境監測系統微弱電流放大電路用于放大由氣體傳感器產生的nA級微弱電流,并提供給AD轉換電路。環境監測系統氣體濃度監測電路如圖所示。圖中,P1連接氣體傳感器,Port(+)和Port(-)是輸出端口。由...
空氣質量實時監測常用的接觸式傳感器有半導體傳感器、電化學傳感器和電子鼻。早在20世紀60年代,半導體傳感器就因其靈敏度高、穩定性好、制作簡單而被廣泛用于農業領域的空氣質量實時監測,Li等采用半導體傳感...
?在室內環境監測中,甲醛氣體的監測是其核心功能之一,而甲醛氣體的監測需要相關環境監測儀器來實現。今天三水環境監測公司就甲醛監測終端的硬件設計為大家簡單分享一下。
室內甲醛檢測數據的搜集和分析處理經常會因為遇到干擾或偏差的異常數據,這些異常數據混于客觀、真實的數據中,對甲醛檢測指標的檢測結果產生影響。根據以上分析可以得出,由于空氣質量會受到天氣變化的影響,而在短...
?封閉環境下環境監測系統由主板和多個相對獨立的監測模塊組成。環境監測系統總體框圖如圖所示。環境監測系統的基本測量參數有:氧氣、二氧化碳、差壓、環境溫濕度、有毒氣體(一氧化碳、硫化氫)等環境參數,特定環...