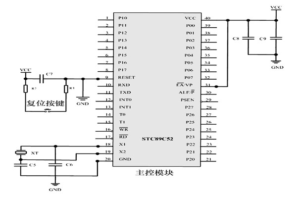
?單片機環境監測系統的最小系統是簡單電路,可以使該單片機保持正常的工作。該單片機的最小系統電路包含5個部分,分別為電源電路、時鐘電路、復位電路、片內外程序存儲器選擇電路、輸入/輸出接口電路。其中前3個...
環境監測技術規范對環境監測的數據質量和數據有效性提出了更高的要求,意味著必須加強環境監測的質量保證和質量控制。原環境監測技術規范“質量保證與質量控制”章節中,對監測人員以及環境監測儀器的管理、分析方法...
?現如今,環境污染問題嚴重,造成的嚴重后果讓人們逐漸意識到環境質量的重要性,室內環境監測逐漸發展起來,受到了人們的重視。但是僅僅依靠環境監測是遠遠不夠的,綜合防治污染才是王道!三水智能化作為一家環境監...
?現在人們對于空氣質量重視程度不斷提高,隨著科學技術的發展,越來越多的環境監測技術應用于空氣質量實時監測之中,像激光雷達就是其中一種。今天三水智能化就空氣質量實時監測領域激光雷達的使用原理為大家分析一...
?現在環境監測系統的應用越來越多,隨著市場的擴大,監測系統的建設方式越來越多,那監測系統常用哪種通信網絡協議呢?就目前的環境監測市場來看,ZigBee是用的比較多的。